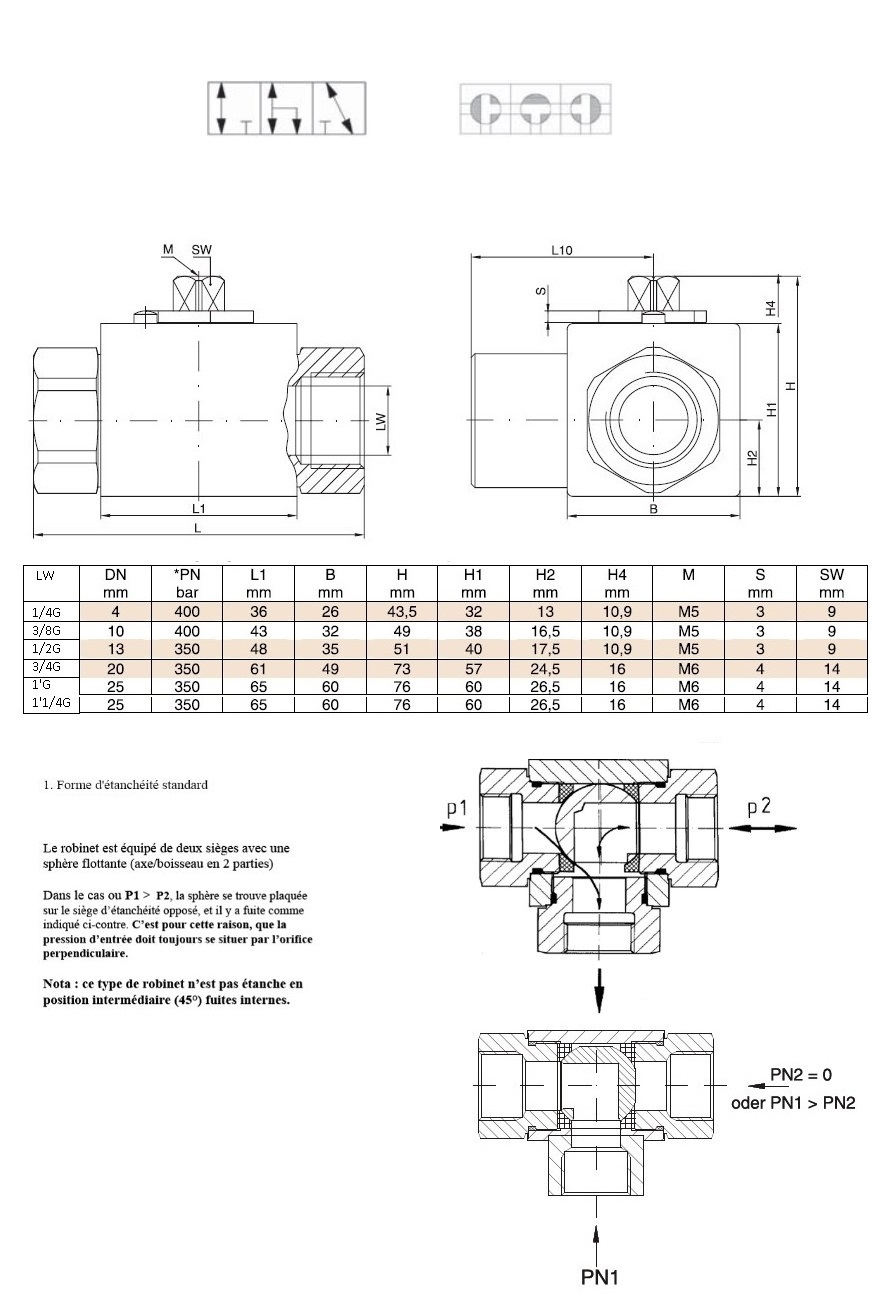
* Accessoires d'alimentation en eau domestique industrielle. Contenu de l'emballage : 1 robinet à boisseau sphérique 3 voies en polyéthylène. Contrôle pratique de l'eau : changez sans effort le débit d'eau ou contrôlez sa direction à l'aide de cette vanne à boisseau sphérique, offrant flexibilité et commodité dans la gestion de l'eau. Joint de tuyau en polyéthylène. Vanne Femelle 3 Voies Robinet Boisseau Sphérique InoxDN15 (1/2') 92431 Détails : Matériau : polyéthylène., Couleur : noir + bleu. Joint rapide en PVC PE - Pas besoin de soudure. Robinet à boisseau sphérique manuel en Laiton Poignée Vert 2 voies... Son design convivial permet une installation simple et rapide. *Visualisez n'importe quel contrôle de la direction du débit d'eau ou changez l'eau. Plusieurs options : choisissez parmi des tuyaux de raccordement avec des diamètres extérieurs de 20 mm, 25 mm, 32 mm, 40 mm ou 50 mm pour un ajustement et une installation corrects. Robinet Dérivation Eau Robinet à Boisseau Sphérique 3 Voies Prix Imbattable Vanne Tuyau Jardin Raccord Rapide Vanne papillon et vanne quart de tour sont indispensables en plomberie et dans toute installation d’eau. Avec ou sans purge, à vis, à coller ou à compression, les vannes comptent différents diamètres (20 mm, 25 mm etc.) et pas de vis (15x21 – 1/2 ; 20x27 – 3/4 etc Installation facile : pas de soudure nécessaire avec ce tuyau en PVC PE de haute qualité.